流量仪表

首页>工业仪表>流量仪表

ZVP系列旋进旋涡流量计
产品概述:

ZVP系列旋进旋涡流量计是直接显示标准状态下(Po=101.325 kPa,To=293.15K)介质体积流量计。它是通过内部温度传感器、压力传感器和流量传感器检测相应参数来实现气体介质标准流量计量的。可广泛用于石油、化工、冶金、城市燃气输配管网的气体流量计量。




分享到:

性能特点

● 无可动部件、无磨损、免维护;

● 集压力、温度、流量传感器于一体,可自动进行温压补偿和压缩因子自动修正,特殊设计的流量传感器,提高抗震、抗干扰性能;

● 很短的前后直管段,节约安装成本;

● 超低功耗,内电池供电,1节锂电池使用寿命长达5年;

● 可选配远红外遥控操作,方便复杂环境中数据采集;

● 检测探头的压电晶体采用四片压电陶瓷贴片,抗污染好,寿命长;

● 多种信号输出:脉冲信号;4~20mA;

● 与专用Modem配套,实现RS485通讯;通过电话网络,自动读取仪表数据;

● 采用EPROM数据存贮技术,长期保存工作参数数据;

● 检测探头材料具有多种选择,例如304316,316L,钛合金,哈氏合金等;

● 流量积算仪可180°旋转,方便不同流向安装;

● 采用先进的双探头旋进式流量传感器技术,抗干扰能力强、精确度高、无机械传动部件、不易腐蚀、结构紧凑、可靠性高、稳定性好、维修量小,探头组件可以在线进行更换。


技术参数

主要技术参数


A)公称通径:DN20~DN300

B)流量范围:1m³/h~6500m³/h

C)工作压力:1.0~16MPa

D)准确度等级:1.0级、1.5(重复性:小于基本误差限绝对值的1/3)


环境条件


A)环境温度:-30~+60;-40~+75(订制)

B)相对湿度:≤95%

C)大气压力:86kPa~106kPa


工作条件


A)介质温度:-20~+60,-20~+130-20~420℃(订制)

B)公称压力:1.0MPa~16MPa

C)适用介质:天然气、城市煤气、丙烷、氮气、工业惰性气体等气体和蒸气


输出信号


A)脉冲信号:0~5kHz

B)电流信号:4~20mA,负载电阻≤7500(24V供电),含二线制和三线制

C)数字通讯:RS232RS485HART及无线RTU(A11协议)


供电电源


A)内电源:一节3.6V锂电池,工作电流80μA(就地显示),使用寿命5年以上

B)外电源:24VDC,外电源工作时,自动切断内电源。整机功耗≤1w,工作电压范围DC24V±10%


电气接口


M20×1.5内螺纹


设计标准


JJG1121-2015“旋进旋涡流量计检定规程”


防爆标准


GB3836.1-2021“爆炸性环境第1部分:设备、通用要求”

GB3836.2-2021“爆炸性环境第2部分:由隔爆型“d”保护的设备


防爆标志


Ex db lIB T4 Gb


防护等级


IP65


连接方式


法兰连接


标准状态条件


P=101.325kPa T=293.15k


规格和流量范围

 

image.png


 

  数据存储功能


能够存储的数据包括:

最近512次流量计启动、停止日期时间和对应的总量记录;最近256条日总量记录,包括日期;最近60个月的月总量记录,包括日期;

最近5条关于温度出现故障时的记录,包括日期、时间;最近5条关于压力出现故障时的记录,包括日期、时间;最近5条关于电池电量低的记录,包括日期、时间;最近5条关于磁攻击的记录,包括日期、时间;

最近256条压力超标开始记录,包括超标的压力值、日期、时间;最近256条压力超标结束记录,包括超标的压力值、日期、时间;

最近256条工况流量超标开始记录,包括超标的流量、百分比、日期、时间;最近256条工况流量超标结束记录,包括超标的流量、百分比、日期、时间;最近256条每天最大流量记录,包括流量、日期、时间;

最近4096条状态记录等,包括工况流量、标况流量、温度、压力、时间、日期(存储时间1~24小时可选择);

以上存储数据可利用上位机通过RS-485接口进行读取,也可在流量积算仪上直接查询(最近1000条状态记录除外)。一台上位机最多能管理32台流量计的上传数据。

 




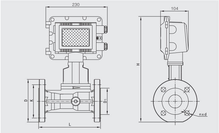
外形尺寸


流量计外形尺寸图


连接尺寸表

法兰执行标准:GB/9113-2010



在线询价

我们最尊贵的客户,您如果有问题可以通过下方留言,或致电 021-59869333,
我们会第一时间与您取得联系,竭诚为您服务 。(*为必填项,真诚感谢您的留言。)
  • 姓名 *
  • 电话 *
  • 邮箱 *
  • 地址
  • 内容
您可能感兴趣的
ZTZ系列气体涡轮流量计
ZTZ系列气体涡轮流量计是我公司按照GB/T18940-2003/ISO9951《封闭管道中气体流量的测量 涡轮流量计》并结合国内外各种流量仪表先进技术研制开发而成,集温度、压力、流量传感器和智能流量积算...
ZYL系列气体腰轮流量计
ZYL系列气体腰轮流量计,采用容积式测量原理,可精确计量流经封闭管道的气体流量。气体体积(在测量时的温度和压力条件下)通过一个机械字轮可直接显示,具有很高的测量精度。...
ZTM系列气体涡轮流量计
ZTM系列气体涡轮流量计是一种带机械计数器,高精度测量气体流量的燃气仪表。该系列产品是我公司按照GB/T 18940-2003/ISO9951《封闭管道中气体流量的测量 涡轮流量计》并结合国内外流量仪表先进...
ZYZ系列气体腰轮流量计
ZYZ系列智能气体腰轮流量计,采用容积式测量原理,可精确计量流经封闭管道的气体流量。该产品集流量、压力、温度检测功能于一体,并能进行压力、温度、压缩因子自动补偿。...
阀控型气体腰轮流量计
阀控型远传气体流量计是集流量计基表、智能体积修正仪和阀门于一体的计量、远传、阀控装置,既能对气体流量进行准确计量,又能够远传与平台进行数据交互完成阀门控制的新型一体式气体流量计。它综合了机械结构、计算机嵌入式软件、网络通信、智能卡应用、管理系统平台等多种技术,是城市燃气运营管理的计量产品。...
ZFM系列S型微小式电磁流量计
ZFM系列S型微小式电磁流量计,是一种基于法拉第电磁感应定律的流量测量仪表,可以精确测量导电液体的体积流量。一体集成式设计,结构小巧,安装方便,适用范围更广,特别是狭小空间。本体采用不锈钢材质,美观大方。主要应用于医疗、食品、化工、循环水、设备配套等领域。主要性能指标...
ZFM系列H型卫生式电磁流量计
ZFM系列H型卫生式电磁流量计,是一种基于法拉第电磁感应定律的流量测量仪表,可以精确测量导电液体的体积流量。采用卫生型设计,流量计无测量介质残余物可堆积死角,整体材质也采用符合卫生标准的材质进行制造。主要应用于饮用水、饮品、食品、医药、科研等领域。...
ZFM-D系列夹持式电磁流量计
ZFM-D系列夹持式电磁流量计,是一种基于法拉第电磁感应定律的流量测量仪表,可以精确测量导电液体的体积流量。夹持式电磁流量计由于自身不带法兰,所以主要通过管道上的法兰夹持在介质运输管道上,相对于法兰式流量计更易于安装和拆卸,减少用户现场的工作强度。夹持式和法兰式除了连接方式不同外,其它性能指标一致。也广泛...
​ZFM/W系列法兰式电磁流量计
ZFM/W系列法兰式电磁流量计,是一种基于法拉第电磁感应定律的流量测量仪表,可以精确测量导电液体的体积流量。其工作原理是通过在测量管上施加一个恒定的磁场,当导电液体流经测量管时,会在两侧的电极间产生感应电动势,该电动势的大小正比于液体的流量,从而实现对流量的测量。广泛应用于自来水、化工、电力、冶...
ZMF-A 系列质量流量计
ZMF-A 系列质量流量计是根据科里奥利(Coriolis Force) 原理,实现流体质量流量的直接精密测量,而无需任何压力、温度、粘 度、密度等换算或修正。其结构是由传感器单元和变送器单元两部分组成。仪表按本质安全防爆型的国家标准设计与制造,防爆标志为 EXd ibIICT6Gb。ZMF-A 系列质量流量计采用了纯数字化自适应驱动核...

Copyright 6686平台官方网站登录 - 6686(中国) 版权所有 备案号:沪ICP备15049156号-3
上海市青浦工业园区崧达路800号
info@ykswdx.cn
Copyright 6686平台官方网站登录 - 6686(中国) 版权所有 备案号:沪ICP备15049156号-3