流量仪表

首页>工业仪表>流量仪表

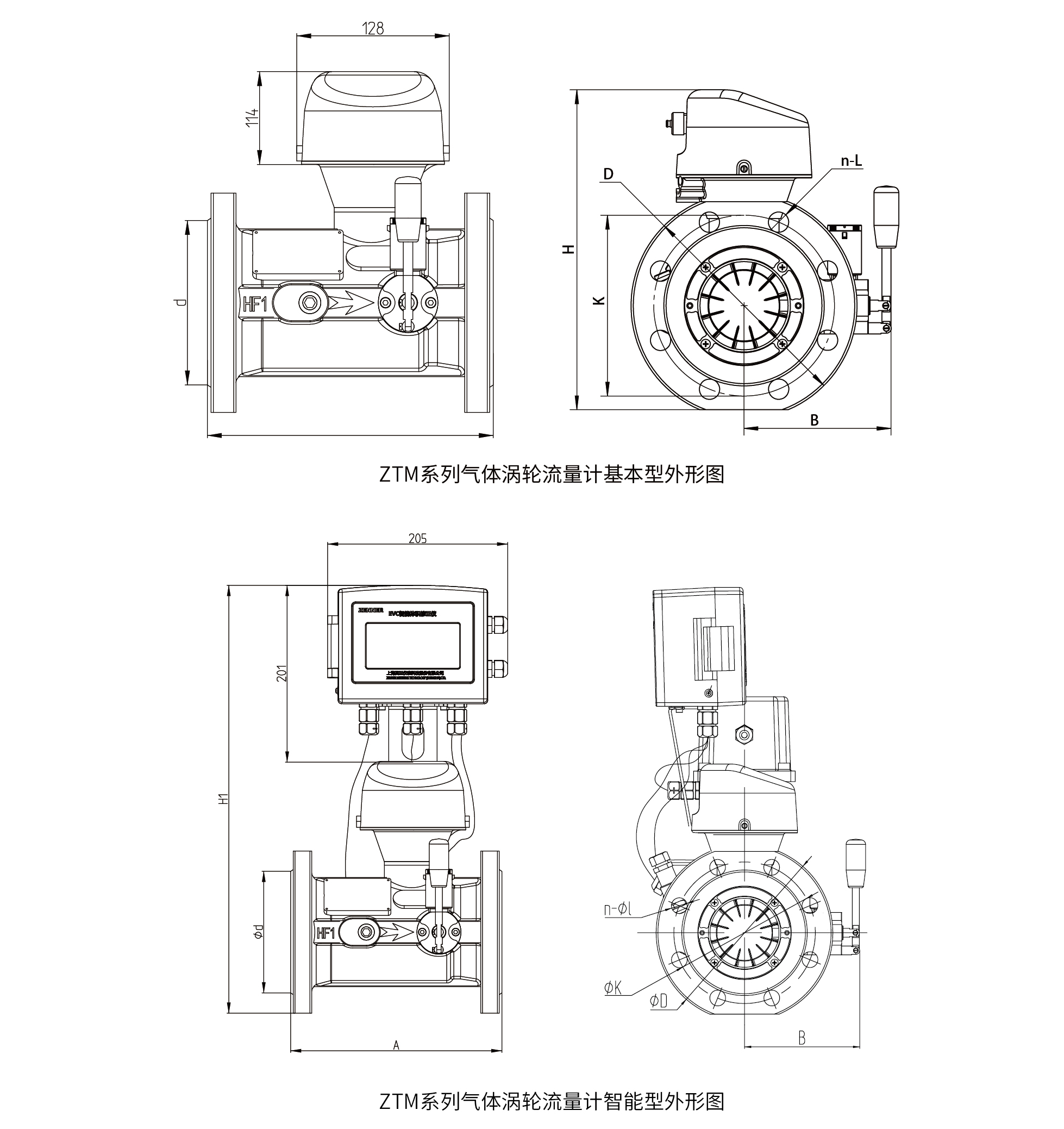
ZTM系列气体涡轮流量计
产品概述:
ZTM系列气体涡轮流量计是一种带机械计数器,高精度测量气体流量的燃气仪表。该系列产品是我公司按照GB/T 18940-2003/ISO9951《封闭管道中气体流量的测量 涡轮流量计》并结合国内外流量仪表前沿技术研制开发而成,克服传统机械式气体涡轮流量计存在一些设计上的缺陷,基表具有较强的抗磁攻击能力,流量计量准确度高,可靠性强,不走慢;独特的润滑系统结构,安装不受管道应力影响;产品结构模块化设计,维护安装方便。

该系列产品可以直接测量气体的工况体积总量,当配有EVC体积修正仪时,可直接测量气体的压力、温度,可显示气体的标况体积流量和总量。管道中若配有热值仪,亦可把其转换成热量值。出色的低压和高压计量性能,多种信号输出方式以及对流体扰动的低敏感性,使得ZTM系列流量计成为一种特别优质的商业贸易计量仪表。

该流量计广泛应用于:城市管线(网)燃气的计量、工业燃气的计量、燃气调压站的计量、能源管理以及其它各种无腐蚀性气体的计量或流量控制等场所。

产品执行GB/T18940-2003《封闭管道中气体流量的测量 涡轮流量计》国家标准
产品执行Q31/0118000139C011-2019《ZTM系列气体涡轮流量计》的企业标准
产品执行JJG1037-2008《涡轮流量计检定规程》
分享到:

性能特点


  ● 流量范围宽


  流量范围(Qmax/Qmin=20:1),重复性好,准确度等级高(可达1.0级),压力损失小,始动流量低。


  ● 采用一体化设计


  采用一体化前导流体:能消除流体扰动,整流效果显著,而且压损极小,对流量计的前后直管段安装要求低(前直管段为2DN,后直管段1DN)。


  ● 抗磁攻击能力强


  磁耦合设计有屏蔽环,可防强磁攻击。


  ● 独特的润滑系统


  采用轴向润滑油道,O形圈采用轴向压紧,密封效果不受管道应力影响。


  ● 采用模块化设计


  采用抽取式独立表芯组件设计(一个口径可提供三种流量规格S、M、L),结构紧凑,安装、维护方便,不受管道应力影响;模块化的机械计数器表头组件,具有强大的齿轮调节能力(近五万组调整齿轮,调整精度控制在0.1%以内),调节精度极高。


  ● 多种结构型式


  a、基本型:带机械计数器,显示工况累积体积流量,带低频脉冲发生器。

  b、智能型:配置体积修正仪,具有温度、压力补偿、无线远传、IC卡等功能。

技术参数

外形尺寸







在线询价

我们最尊贵的客户,您如果有问题可以通过下方留言,或致电 021-59869333,
我们会第一时间与您取得联系,竭诚为您服务 。(*为必填项,真诚感谢您的留言。)
  • 姓名 *
  • 电话 *
  • 邮箱 *
  • 地址
  • 内容
您可能感兴趣的
ZTZ系列气体涡轮流量计
ZTZ系列气体涡轮流量计是我公司按照GB/T18940-2003/ISO9951《封闭管道中气体流量的测量 涡轮流量计》并结合国内外各种流量仪表先进技术研制开发而成,集温度、压力、流量传感器和智能流量积算...
ZYL系列气体腰轮流量计
ZYL系列气体腰轮流量计,采用容积式测量原理,可精确计量流经封闭管道的气体流量。气体体积(在测量时的温度和压力条件下)通过一个机械字轮可直接显示,具有很高的测量精度。...
ZTM系列气体涡轮流量计
ZTM系列气体涡轮流量计是一种带机械计数器,高精度测量气体流量的燃气仪表。该系列产品是我公司按照GB/T 18940-2003/ISO9951《封闭管道中气体流量的测量 涡轮流量计》并结合国内外流量仪表先进...
ZYZ系列气体腰轮流量计
ZYZ系列智能气体腰轮流量计,采用容积式测量原理,可精确计量流经封闭管道的气体流量。该产品集流量、压力、温度检测功能于一体,并能进行压力、温度、压缩因子自动补偿。...
阀控型气体腰轮流量计
阀控型远传气体流量计是集流量计基表、智能体积修正仪和阀门于一体的计量、远传、阀控装置,既能对气体流量进行准确计量,又能够远传与平台进行数据交互完成阀门控制的新型一体式气体流量计。它综合了机械结构、计算机嵌入式软件、网络通信、智能卡应用、管理系统平台等多种技术,是城市燃气运营管理的计量产品。...
ZFM系列S型微小式电磁流量计
ZFM系列S型微小式电磁流量计,是一种基于法拉第电磁感应定律的流量测量仪表,可以精确测量导电液体的体积流量。一体集成式设计,结构小巧,安装方便,适用范围更广,特别是狭小空间。本体采用不锈钢材质,美观大方。主要应用于医疗、食品、化工、循环水、设备配套等领域。主要性能指标...
ZFM系列H型卫生式电磁流量计
ZFM系列H型卫生式电磁流量计,是一种基于法拉第电磁感应定律的流量测量仪表,可以精确测量导电液体的体积流量。采用卫生型设计,流量计无测量介质残余物可堆积死角,整体材质也采用符合卫生标准的材质进行制造。主要应用于饮用水、饮品、食品、医药、科研等领域。...
ZFM-D系列夹持式电磁流量计
ZFM-D系列夹持式电磁流量计,是一种基于法拉第电磁感应定律的流量测量仪表,可以精确测量导电液体的体积流量。夹持式电磁流量计由于自身不带法兰,所以主要通过管道上的法兰夹持在介质运输管道上,相对于法兰式流量计更易于安装和拆卸,减少用户现场的工作强度。夹持式和法兰式除了连接方式不同外,其它性能指标一致。也广泛...
​ZFM/W系列法兰式电磁流量计
ZFM/W系列法兰式电磁流量计,是一种基于法拉第电磁感应定律的流量测量仪表,可以精确测量导电液体的体积流量。其工作原理是通过在测量管上施加一个恒定的磁场,当导电液体流经测量管时,会在两侧的电极间产生感应电动势,该电动势的大小正比于液体的流量,从而实现对流量的测量。广泛应用于自来水、化工、电力、冶...
ZMF-A 系列质量流量计
ZMF-A 系列质量流量计是根据科里奥利(Coriolis Force) 原理,实现流体质量流量的直接精密测量,而无需任何压力、温度、粘 度、密度等换算或修正。其结构是由传感器单元和变送器单元两部分组成。仪表按本质安全防爆型的国家标准设计与制造,防爆标志为 EXd ibIICT6Gb。ZMF-A 系列质量流量计采用了纯数字化自适应驱动核...

Copyright 6686平台官方网站登录 - 6686(中国) 版权所有 备案号:沪ICP备15049156号-3
上海市青浦工业园区崧达路800号
info@ykswdx.cn
Copyright 6686平台官方网站登录 - 6686(中国) 版权所有 备案号:沪ICP备15049156号-3